Schematic Genie Garage Door Opener Wiring Diagram

3ab Genie Garage Door Opener Wiring Schematic Wiring Library

3ab Genie Garage Door Opener Wiring Schematic Wiring Library

Irzf 7628 Diagram Genie Garage Opener Wiring Diagram Diagram Base Website Wiring Diagram Humananatomydiagramhelp Lana Delrey Fr

Irzf 7628 Diagram Genie Garage Opener Wiring Diagram Diagram Base Website Wiring Diagram Humananatomydiagramhelp Lana Delrey Fr

Garagemate Bluemate Labs Inc

Garagemate Bluemate Labs Inc

Genie Model 2028 Compatible Wiring Openers Garadget Community

Genie Model 2028 Compatible Wiring Openers Garadget Community

Pwkf 233 Diagram Genie Wiring Schematic Diagram Base Website Wiring Schematic Diagramorigami Madbari It

Pwkf 233 Diagram Genie Wiring Schematic Diagram Base Website Wiring Schematic Diagramorigami Madbari It

Page 20 Of Genie Garage Door Opener Silentmax 1000 1200 User Guide Manualsonline Com

Page 20 Of Genie Garage Door Opener Silentmax 1000 1200 User Guide Manualsonline Com

Page 20 Of Genie Garage Door Opener Silentmax 1000 1200 User Guide Manualsonline Com

Lawn Genie Wiring Diagram Diagram Base Website Wiring Diagram Andvenndiagram Roundabike It

Lawn Genie Wiring Diagram Diagram Base Website Wiring Diagram Andvenndiagram Roundabike It

Ko 3216 Garage Door Moreover Genie Garage Door Opener Remote On Wiring Genie Download Diagram

Ko 3216 Garage Door Moreover Genie Garage Door Opener Remote On Wiring Genie Download Diagram

Garagemate Bluemate Labs Inc

Garagemate Bluemate Labs Inc

New Shop Wiring Diagram Diagram Wiringdiagram Diagramming Diagramm Visuals Visualisation Graphical

New Shop Wiring Diagram Diagram Wiringdiagram Diagramming Diagramm Visuals Visualisation Graphical

25b Genie Drive Garage Door Opener Wiring Diagram Wiring Library

25b Genie Drive Garage Door Opener Wiring Diagram Wiring Library

Genie Ac Screw Drive Series Garage Door Opener Models Is Isl Ims Tagged Wiring The Genie Company

Genie Ac Screw Drive Series Garage Door Opener Models Is Isl Ims Tagged Wiring The Genie Company

Ek 8680 Genie Garage Door Opener Wiring Schematic Wiring Diagram

Ek 8680 Genie Garage Door Opener Wiring Schematic Wiring Diagram

48ad9 Wiring Diagram For A Genie Garage Door Opener Wiring Library

48ad9 Wiring Diagram For A Genie Garage Door Opener Wiring Library

Pin On Garage Door Sensor

Pin On Garage Door Sensor

Overhead Garage Door Wiring Diagram Wiring Diagram For Network For Wiring Diagram Schematics

Overhead Garage Door Wiring Diagram Wiring Diagram For Network For Wiring Diagram Schematics

Genie Garage Door Sensors Used Elsewhere All About Circuits

Genie Garage Door Sensors Used Elsewhere All About Circuits

Ta 7223 Genie Intellicode Garage Door Opener Wiring Diagram Free Download

Ta 7223 Genie Intellicode Garage Door Opener Wiring Diagram Free Download

Genie 3024 Manual

Genie 3024 Manual

Kiav 4420 Diagram Genie Garage Door Opener Wiring Schematic Craftsman Diagram Base Website Schematic Craftsman Humananatomydiagramhelp Lana Delrey Fr

Kiav 4420 Diagram Genie Garage Door Opener Wiring Schematic Craftsman Diagram Base Website Schematic Craftsman Humananatomydiagramhelp Lana Delrey Fr

Garage Door Opener Remote Control Circuit Diagram Wiring Diagram

Garage Door Opener Remote Control Circuit Diagram Wiring Diagram

Garagemate Bluemate Labs Inc

Garagemate Bluemate Labs Inc

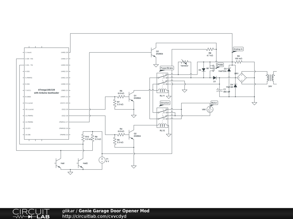
Genie Garage Door Opener Mod Circuitlab

Genie Garage Door Opener Mod Circuitlab

Genie Garage Door Opener Models Gcg350ml Pcg500ml Pcg700ml The Genie Company

Genie Garage Door Opener Models Gcg350ml Pcg500ml Pcg700ml The Genie Company

Https Encrypted Tbn0 Gstatic Com Images Q Tbn 3aand9gcr6deakteibxjyqipglbyesadoj3r Eifo4kmdivivwptw3le3 Usqp Cau

Https Encrypted Tbn0 Gstatic Com Images Q Tbn 3aand9gcr6deakteibxjyqipglbyesadoj3r Eifo4kmdivivwptw3le3 Usqp Cau

Genie Excelerator User Manual Garage Door Opener Manuals And Guides L0703287

Genie Excelerator User Manual Garage Door Opener Manuals And Guides L0703287

Genie 2564 2562 Garage Door Opener Parts Diagram

Genie 2564 2562 Garage Door Opener Parts Diagram

16bf9f Genie Drive Garage Door Opener Wiring Diagram Wiring Resources

16bf9f Genie Drive Garage Door Opener Wiring Diagram Wiring Resources

Diagram Chamberlain Garage Door Opener Sensor Wiring Diagram Full Version Hd Quality Wiring Diagram Electronicwire Campusbac Fr

Diagram Chamberlain Garage Door Opener Sensor Wiring Diagram Full Version Hd Quality Wiring Diagram Electronicwire Campusbac Fr

Genie 2024 2022 2042 Garage Door Opener Repair Parts

Genie 2024 2022 2042 Garage Door Opener Repair Parts

Ha 5323 Genie Intellicode Wiring Diagrams Download Diagram

Ha 5323 Genie Intellicode Wiring Diagrams Download Diagram

Allister Garage Door Opener Owner S Manual

Allister Garage Door Opener Owner S Manual

315390r1 Garage Door Remote Control Receiver User Manual 42227 English The Genie A Division Of Overhead Door

315390r1 Garage Door Remote Control Receiver User Manual 42227 English The Genie A Division Of Overhead Door

Diagram Wired Remote For Garage Door Wiring Diagram Full Version Hd Quality Wiring Diagram Cpewiring A Mon Image Fr

Diagram Wired Remote For Garage Door Wiring Diagram Full Version Hd Quality Wiring Diagram Cpewiring A Mon Image Fr

Technical Information Gcl T Standard Duty Trolley Operator Genie Garage Door Openers Garage Openers

Technical Information Gcl T Standard Duty Trolley Operator Genie Garage Door Openers Garage Openers

Diagram Wired Remote For Garage Door Wiring Diagram Full Version Hd Quality Wiring Diagram Cpewiring A Mon Image Fr

Diagram Wired Remote For Garage Door Wiring Diagram Full Version Hd Quality Wiring Diagram Cpewiring A Mon Image Fr

Genie Garage Door Opener Manual Disengage Youtube

Genie Garage Door Opener Manual Disengage Youtube

Pwkf 233 Diagram Genie Wiring Schematic Diagram Base Website Wiring Schematic Diagramorigami Madbari It

Pwkf 233 Diagram Genie Wiring Schematic Diagram Base Website Wiring Schematic Diagramorigami Madbari It

Liftmaster Genie Garage Door Opener Parts Guide

Liftmaster Genie Garage Door Opener Parts Guide

Vnnd 9655 Cat Genie Diagram Diagram Database Website Genie Diagram Vdiagram Lafabricadechocolate Es

Vnnd 9655 Cat Genie Diagram Diagram Database Website Genie Diagram Vdiagram Lafabricadechocolate Es

Source : pinterest.com